Late last year, our crew was at a car show that was dubbed “a peaceful protest” in a state that was locked down due to the pandemic. Grateful to be able to see a gathering of cars, we were enjoying a pleasant day checking out the local car scene when we ran across an older car enthusiast holding court over a dozen or so Gen-Xers. As he told his story, our thoughts went to a recent article on MSD’s homepage about modernizing a vintage engine.
The old man’s story went something like this: “You kids don’t know how good you have it,” he exclaimed. “Got all these wires and computers under the hood that keep your car running. You don’t know how to work on any of it, but you got it.” He stood a little taller and stuck out his chest. “Back when I was your age, we didn’t have that.”

The younger crowd seemed to half-listen and halfway pretended to be looking around as the older man continued. “We’d go out in the dead of night, at the coldest part of the winter. [Uphill, both ways we suppose]. “And the car wouldn’t start. There you were, standing in the dark and cold with snot froze to your face and a car that wouldn’t start.” He paused and looked around to gauge the effect of his words.
“Then we’d have to pull a matchbook out of our pocket. You see…we carried matches in a little matchbook back then, and not disposable lighters. You’d fold the matchbook cover over and set the gap in your points to get the car to run.”
Some Truth
Walking away, we realized there was a bit of truth in what the old man had told the kids. Vintage ignition systems require a lot of finesse to keep them running properly. Here’s the good news: MSD has been dealing with upgrading older ignition systems for decades. Contrary to what the old man had said, the “wires and computers” under the hood are not that scary, nor are they difficult to work with. Especially when you have tech support from companies like MSD.
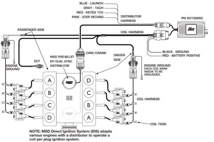
The most recent project news from MSD was a story about converting a vintage engine from a conventional single coil distributor system to a modern coil-per-cylinder system with MSD’s new Direct Ignition System (DIS) kit.

MSD’s new system is designed to be as simple or as advanced as you want it to be. That is to say, the timing curve can be controlled electronically based on parameters you set, or by manifold pressure. There are other advanced features like a 2-step rev limiter, a step or launch retard, data acquisition capabilities, and more.
What Is Involved
MSD has assembled the kit around a compact controller with eight LS3 style coils and a distributor housing that provides a cam sync signal and crank signal to fire each cylinder. As with most MSD kits, any required harness to complete the installation is supplied in the kit along with a set of Super Conductor Spark Plug Wires since you’ll be installing eight new coils.

MSD’s View software is loaded onto a computer and connected to the system so users can do as much or as little programming as they are comfortable doing.

DIS kits are available for Chevy Small-Block and Big-Block, as well as Ford Small-Block and Big-Block engines. For more information on MSD’s new DIS kit, visit them online at msd.com.
You might also like
4k-Mile 1970 Mercury Cyclone Spoiler SCJ Time Capsule
A one-owner Mercury Cyclone Spoiler SCJ is heading to auction. The 4,459-mile time capsule has been parked since 1975.