When last we visited the progress on T-Rex, a restomod 1974 TVR 2500M with a 5.0L Ford Coyote engine, it was time to commence wiring. This, of course, can be one of the most daunting aspects of a build. And one that will take considerable time and effort.

Needless to say, all of the original 50-year-old wiring was relegated to the dumpster and a “clean sheet of paper” plan of attack put into place. To this extent, a drawing was created that pinpointed the location of all components to be integrated into the wiring system. As you might suspect, there are no commercially available kits to match T-Rex’s particular needs; it’s not like getting a complete turn-key loom for a carbureted SBC-powered ’69 Camaro from one of several highly regarded sources. We’re essentially on our own.

The overall plan is to incorporate as much contemporary technology as possible, while maintaining linkage to the TVR’s original design heritage.
As previously mentioned, the-12 volt power comes from an Odyssey gel cell battery tucked away in the right rear corner of the car, with a Powermaster alternator replenishing the juice. The battery features both standard posts and SAE terminals — an important consideration in optimizing the EFI system efficiency. Having a direct-to-battery connection will avoid “dirty power” (interference from solenoids, ignition coils and fuel pumps, etc.) that could potentially cause erratic ECU operation. It will have an independent on/off switch.

Make A Plan & Stick To It!
The overall plan is to incorporate as much contemporary technology as possible, while maintaining linkage to the TVR’s original design heritage. For example, T-Rex is getting LED lighting to replace the factory fixtures — which, interestingly, were typically sourced by TVR from other manufacturers (and in 1974 came from the Triumph parts bin — as did the six-cylinder motor).
In the rear, a pair of stop/turn/tail light assemblies from J.W. Speaker are superseding the OEM units. They’re aesthetically similar to the original taillights, but offer superior performance. Recessed housings were fabricated to house the LED lights and the rear corner filled in. The OEM fuel filler assembly was ditched in favor of a larger flip-top unit mounted in the center of the rear deck.

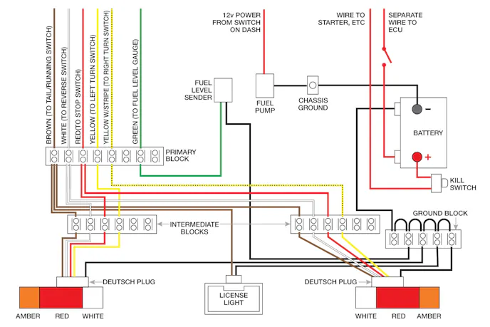
To aid in planning the wiring a schematic covering the aft portion of T-Rex was developed, starting with the taillight’s five wires that route from the J.W.Speaker LED assembly through an industry-standard Deutsch plug to a nearby terminal block where the 18-gauge wire jumps to 12-gauge for the journey to the dashboard, culminating into another terminal block that will be the junction for a bundle of wires routed through the transmission tunnel up to the dash panel.

Thinner wires, like 18 AWG, have higher resistance, leading to greater voltage drop compared to thicker wires. The longer the wire, the greater the voltage drop. Better safe than sorry. A similar arrangement will be employed up front, but a quick-release connector added to facilitate removing the tilt-up hood assembly if needed.
Things really get interesting on the dashboard. From the factory, the TVR had a tach, speedometer, oil pressure, water temperature and fuel quantity gauges, plus a voltmeter. Moving forward, T-Rex has no less than nine 2-⅜-inch gauges, plus a 5-¼-inch diameter tach and speedometer. They’re all part of Classic Instruments “Auto Cross” series — very fitting as autocrossing is definitely on T-Rex’s agenda.

While there certainly are a plethora of digital panels available in the marketplace, analog gauges prevailed from a design perspective. Builder Holland is an “old school” instrument-rated pilot who is comfortable scanning a “wall” of gauges as opposed to flipping through a series of digital screens.
In addition to the four gauges matching the factory offerings, T-Rex’s five additional data displays include oil temperature, air/fuel ratio (Lambda), fuel pressure, plus front and rear brake pressure. A Wilwood bias control knob, located below the gauges, will facilitate making precise balance adjustments.
Custom Dash Fabrication
The factory dash panel cover was retained, but everything below has been redone. The nine-gauge center console cluster and extensions were fabricated from aluminum and the openings for the gauges were precision cut. A carbon fiber finished panel made of ABS composite material was similarly created. Complete detailed installation instructions and a wiring diagram came with each gauge, saving time and hassles.
It’s important to note that T-Rex is being built to comply with USCA rules that govern the Ultimate Street Car Championships and a number of parameters are taken into consideration. T-Rex will fall into the GTL class, which is for lighter cars that weighed 3200 (or less) pounds from the factory, and be at a minimum of 95% of factory weight. A 1974 TVR 2500M’s weight is shown to be 970 kg (2,140 lbs.) so T-Rex must weigh at least 2,062 lbs. to be legal. That shouldn’t be a problem, given the roll cage and V-8 engine. However, with an engine estimated to put out some 550 horsepower a power-to-weight ratio of 4 lbs. per HP seems attainable — that’s Corvette ZR-1 territory. Whoa!

USCA events have five segments that include an autocross, road rally, road course time trials, acceleration/braking challenge —as well as a Design & Engineering judging that focuses on the vehicle’s suitability for street driving. To this extent, rules require a DOT approved windshield, windshield wipers, operational side windows plus a rear window. A full complement of exterior lighting, including turn signals, high/low beams, backup lights and hazard lights is required.
The interior must be finished, and electronics must include a horn, audio system, HVAC and interior lighting. T-Rex’s dash is set to accommodate an AM/FM head unit (designed for a marine application), with the TVR’s vent system and a tiny Schumacher auxiliary heater complying with the rules. The road rally part of the 5-point criteria would seem to deter the building of low-slung cars that most likely would have issues with an ordinary speed bump. T-Rex will also compete in Goodguys’ autocross events, where it fits into the Pro-X class. Most of the rules coincide with USCA, with 200 treadwear rated tires also mandated. And if that’s not enough, NSRA (National Street Rod Association) has recently added autocross to its events.
Let the fun begin.
USCA
Ultimate Street Car Association
You might also like
Fox and Exotics, Chevy vs Ford Clash in Horsepower Wars Season 5
A Ferrari and a Ford Godzilla engine highlight the ultimate mechanical extremes featured throughout Horsepower Wars Season 5.