Canton Racing is a company that has been in business for over 25 years, providing the racing community with high performance automotive parts. They began in a small garage, building specialty oil pans for local racers, and their unique approach to designing oil pans led to more demand and the popularity grew. While a stock pan simply holds oil until it’s needed, the design of the Canton Racing pans keep that oil in place for those who hit the streets or the track – and rely on oil to be there and not sloshing around during hard launches, or hard cornering.
Adding to the design of their baffled oil pans, Canton is well known for their Accusump oil accumulators, too. While their baffling inside their oil pans help keep that oil in place, the Accusump comes in handy when oil pressure is low. Low oil pressure happens during cold starts, as wellas during hard racing when the engine revs are high and the inertia may cause low levels in the oil pan where the pickup tube is located.
In a racing environment, inertia can pull the oil in one direction while the car is heading in the opposite direction, and with the high revving of the engine a low pressure condition can occur. Additionally, during cold starts when all of the oil has drained down to the oil pan, it takes a few seconds for that pressure to build up and begin lubricating the engine. During these periods, scuffing can occur until the engine is properly lubricated.
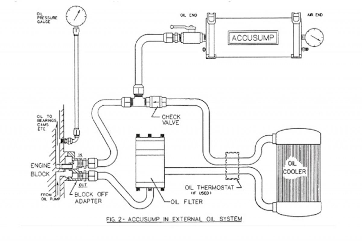
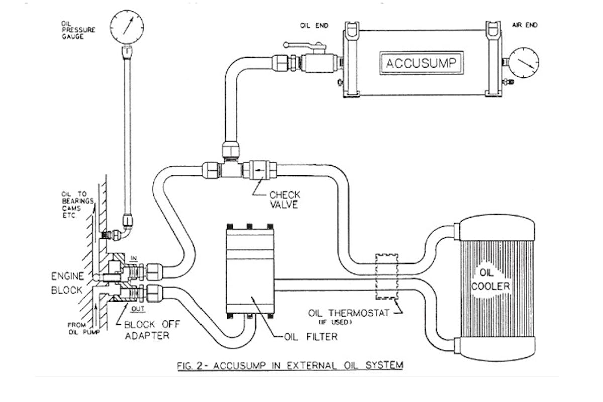
The Accusump is a pressurized air cylinder that accumulates oil from a charged oil system and stores it until it’s needed, and the oil is discharged at that time. For the automatic units, an electrical valve is opened when the ignition is turned on, and that will purge air from the oil gallery and allow oil pressure to flow through the engine before it’s started. On a manual unit, the valve is simply opened and the stored oil pressure lubricates the engine.
During racing, any time there is a disruption to the oil pressure and the pump loses suction, the Accusump operates automatically to supply 15 to 60 seconds of oil to the engine to protect it. The amount of time depends on the size of the engine and the engine’s rpm. During hard cornering in road racing, that inertia can drop the oil pressure to dangerous levels, and that’s where the Accusump can provide significant oil pressure and keep the engine lubricated until the pressure builds up again. Once the pressure builds, the Accusump stores oil pressure again, with it’s one-way check valve keeping oil flowing in one direction.
When the engine is shut down, the Accusump will hold whatever pressure the engine was making at the time you shut it down. When that valve closes, it stores that oil pressure for pre-start the next time you turn the ignition on. If your engine is running low pressure at idle, simply rev the engine to a higher rpm and when the pressure is adequate, and then shut down. A manual unit will require you to close the valve manually and then open it again prior to start.
Generally, you won’t run into these situations with a street car, but on the track we have seen times when our oil pressure gets low during hard cornering and high revving – and that’s when an Accusump can become a great safety net for your engine. Be sure to check out Canton Racing’s web site for more information and installation instructions for their Accusump.
You might also like
1967 396-375 Camaro: On The Street For the First Time Since ’68
Big Red only got few options besides the SS L78 deal when it was ordered: RS package, tilt wheel and a fold-down rear seat.